

| 480V交流电源防雷器选型表 | |||||||||
|---|---|---|---|---|---|---|---|---|---|
| 系列 | 型号 | 主要参数 | 响应时间 | 保护模式 |
外形尺寸 (mm) |
||||
| 最大通流容量(Imax) | 标称放电电流(In) | 最大持续工作电压(Uc) | 保护水平(Up) | ||||||
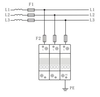
| AM40 | AM40510 | 40kA | 20kA | 510V | 2.3kV | 25ns | 3+NPE | 90×62×54 | |
| AM60 | AM60510 | 60kA | 30kA | 510V | 2.5kV | 25ns | 3+NPE | 90×62×54 | |
| AM80 | AM80510 | 80kA | 40kA | 510V | 2.6kV | 25ns | 3+NPE | 90×62×54 | |
| AM100 | AM100510 | 100kA | 50kA | 510V | 2.8kV | 25ns | 3+NPE | 90×62×54 | |
| AM120 | AM120510 | 120kA | 60kA | 510V | 3.0kV | 25ns | 3+NPE | 90×62×54 | |
| AM160 | AM160510 | 160kA | 80kA | 510V | 3.4kV | 25ns | 3+NPE | 90×62×54 | |

