网站首页
公司介绍
新闻资讯
产品中心
防雷产品目录
电源防雷器
信号防雷器
监控防雷器
天馈防雷器
防雷元件目录
陶瓷气体放电管
固体半导体放电管
玻璃防雷管
瞬态电压抑制管TVS
ESD靜電二極管
电源防雷模块
PTC自恢复保险
压敏电阻
终端负载/衰减器
终端负载器
终端负载片
衰减器
衰减片
韩国PRIME防雷系列
单相电源surge-box
三相电源surge-box
数据线路surge-box
同轴线路surge-box
高压脉冲ESE避雷针
接地系统
噪声消除变压器
临时目录
防雷方案
防雷知识
联系我们
产品分类
防雷产品目录
电源防雷器
防雷箱
交流电源防雷器
直流电源防雷器
电源防雷插座
充电桩防雷器
光伏电源防雷器
LED路灯浪涌保护器
信号防雷器
音频信号防雷器
网络信号防雷器
视频信号防雷器
控制信号防雷器
监控防雷器
三合一视频防雷器
三合一网络防雷器
二合一视频防雷器
二合一网络防雷器
天馈防雷器
SA系列天馈防雷器
SB系列天馈防雷器
SF系列天馈防雷器
SM系列天馈防雷器
SN系列天馈防雷器
SP系列天馈防雷器
ST系列天馈防雷器
防雷元件目录
陶瓷气体放电管
陶瓷放电二极管
陶瓷放电三极管
陶瓷放电开关管
贴片陶瓷放电二级管
贴片陶瓷放电三级管
陶瓷大通流气体放电管
固体半导体放电管
SMT 贴片
DIP 插件
玻璃防雷管
TED485系列
GS系列
瞬态电压抑制管TVS
贴片ESD防护器(TVS组合管)
同轴引线TVS管
ESD靜電二極管
SO-08封装
SOT-23封装
SOT-26/143/353/363/553
SOD-323/523/882/923
DFN-1006/1006BP/1006DN
DSON-10封裝
DFN2510P10封裝
电源防雷模块
陶瓷电源防雷模块
PTC自恢复保险
DIP 插件
SMD 贴片
H系列PTC
压敏电阻
DIP 插件
SMD 贴片
终端负载/衰减器
终端负载器
终端负载片
衰减器
衰减片
韩国PRIME防雷系列
单相电源surge-box
三相电源surge-box
数据线路surge-box
同轴线路surge-box
高压脉冲ESE避雷针
接地系统
噪声消除变压器
临时目录
产品中心
首页
>
产品中心
>
P-600封装5KP
详细介绍
瞬态电压抑制管(TVS) ---- 同轴引线TVS管
P-600封装5KP
封装:
P-600
型号:
5KP系列
最大整流电流: 16-543A;
最大反向电压: 5.0-110V;
功率: 5KW;
产品简介:www.sbdz.com
TVS是普遍使用的一种新型高效电路保护器件,它具有极快的响应时间(亚纳秒级)和相当高的浪涌吸收能力。当它的两端经受瞬间的高能量冲击时,TVS能以极高的速度把两端间的阻抗值由高阻抗变为低阻抗,以吸收一个瞬间大电流,从而把它的两端电压箝制在一个预定的数值上,从而保护后面的电路元件不受瞬态高压尖峰脉冲的冲击。正因为如此,TVS 可用于保护设备或电路免受静电、电感性负载切换时产生的瞬变电压[4],以及感应雷所产生的过电压。图1所示为TVS 的符号及伏安特性曲线。
防雷器
TVS 管和稳压管一样,也是反向应用的。其中VR 称为最大转折电压,是反向击穿之前的临界电压。VB 是击穿电压,其对应的反向电流IT 一般取值为1 mA。VC 是最大箝位电压,当TVS 管中流过的峰值电流为IPP 的大电流时,管子两端电压就不再上升了。因此
TVS 管
能够始终把被保护的器件或设备的端口电压限制在VB~VC 的有效区内。与稳压管不同的是,IPP 的数值可达数百安培,而箝位响应时间仅为1×10-12s。TVS 的最大允许脉冲功率为PM=VCIPP,且在给定最大钳位电压下,功耗PM 越大,其浪涌电流的承受能力越大。
图2 是在双踪示波器上观察到的TVS 管在承受大电流冲击时的电流及电压波形。图中,曲线1 是TVS 管中的电流波形,可以看出:其流过TVS 管的电流由1mA 突然上升到峰值后,然后按指数规律下降。曲线2 是TVS 管两端的电压波形,它表示TVS 中的电流突然上升时,TVS 两端电压也随之上升。在浪涌电压的作用下,TVS 两极间的电压由额定反向关断电压VRWM 上升到击穿电压VB 而被击穿。随着击穿电流的出现,流过TVS 的电流将达到峰值脉冲电流IPP,同时其两端的电压被箝位到预定的最大箝位电压VC 以下。其后,随着脉冲电流按指数衰减,该过程中,TVS 两极间的电压也不断下降,最后恢复到初态,这就是TVS 抑制可能出现的浪涌脉冲功率,保护电子元器件的过程。事实上,当TVS 两极受到反向高能量冲击时,它能以10-12s 级的速度,将其两极间的阻抗由高变低,以吸收高达数千瓦的浪涌功率,使两极间的电位箝位于预定值,从而有效地保护电子设备中的元器件免受
ESD
的损害。
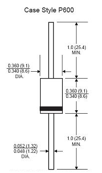
产品尺寸图:
产品参数:
联系我们
全国统一服务电话:
0755-22310076
24小时热线: 0755-22310076 22310075 22310079
邮箱:shenzhen@sbdz.com
网址:www.sbdz.com
公司总部:深圳市福田区上步北路(体育馆东)城市主场B座1601
关于我们
公司简介
企业文化
荣誉资质
员工风采
产品中心
防雷产品目录
防雷元件目录
终端负载/衰减器
韩国PRIME防雷系列
临时目录
防雷方案
通讯类产品
消费电子产品
汽车电子产品
安防类产品
智能家居家电
工业类品
友情链接:
防雷器
社保电子原网站
高效过滤器
EBM电机
三边封制袋机
版权所有©1995-20020深圳市社保电子技术有限公司。保留所有权利 |
Power by DedeCms
粤ICP备05003742号
QQ在线咨询
售前咨询热线
0755-22310076
售后咨询热线
0755-22310076