



二、规格参数
|
Model/PDF
|
I h
(A) |
I t
(A) |
I trip
|
V max
(V) |
I max
(A) |
R min
( mΩ ) |
R max
( mΩ ) |
|
|
Current(A)
|
Time(s)
|
|||||||
|
P070
|
0.70
|
1.45
|
3.5
|
5.0
|
16
|
100
|
100
|
200
|
|
P100
|
1.00
|
2.50
|
5.0
|
5.0
|
16
|
100
|
70
|
130
|
|
P120
|
1.20
|
2.70
|
6.0
|
5.0
|
16
|
100
|
60
|
120
|
|
P175
|
1.75
|
3.80
|
8.50
|
5.0
|
16
|
100
|
30
|
65
|
|
P180
|
1.80
|
3.80
|
9.00
|
5.0
|
16
|
100
|
30
|
60
|
|
P190
|
1.90
|
4.20
|
9.50
|
5.0
|
16
|
100
|
25
|
45
|
|
P200
|
2.00
|
4.40
|
10.0
|
5.0
|
16
|
100
|
20
|
40
|
|
P210
|
2.10
|
4.40
|
10.0
|
5.0
|
16
|
100
|
20
|
35
|
|
P260
|
2.60
|
5.20
|
13.0
|
5.0
|
16
|
100
|
15
|
30
|
|
P300
|
3.00
|
6.00
|
15.0
|
5.0
|
24
|
100
|
15
|
31
|
|
P350
|
3.50
|
7.00
|
20.0
|
5.0
|
24
|
100
|
17
|
31
|
|
P380
|
3.80
|
7.60
|
19.0
|
5.0
|
24
|
100
|
13
|
26
|
|
P420
|
4.20
|
8.30
|
20.0
|
5.0
|
24
|
100
|
12
|
24
|
|
P450
|
4.50
|
9.00
|
22.5
|
5.0
|
20
|
100
|
11
|
20
|
|
P550
|
5.50
|
10.50
|
27.5
|
5.0
|
20
|
100
|
9
|
16
|
|
P600
|
6.60
|
11.70
|
30.0
|
5.0
|
20
|
100
|
7
|
14
|
|
P730
|
7.30
|
14.1
|
30.0
|
5.0
|
20
|
100
|
6
|
12
|
|
P900
|
9.00
|
16.70
|
45.0
|
5.0
|
20
|
100
|
6
|
10
|
|
P1410
|
14.10
|
26.20
|
70.0
|
5.0
|
20
|
100
|
3
|
5
|
|
D170
|
1.70
|
3.40
|
8.5
|
5.0
|
12
|
100
|
30
|
52
|
|
D175
|
1.75
|
3.80
|
8.75
|
5.0
|
12
|
100
|
29
|
51
|
|
D200
|
2.00
|
4.50
|
10.0
|
5.0
|
12
|
100
|
20
|
40
|
|
D210
|
2.10
|
4.70
|
10.5
|
5.0
|
12
|
100
|
18
|
30
|
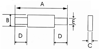
三、尺寸表
|
Model
|
A
|
B
|
C
|
D
|
E
|
|||||
|
Min
|
Max
|
Min
|
Max
|
Min
|
Max
|
Min
|
Max
|
Min
|
Max
|
|
|
P070
|
17.0
|
20.1
|
4.9
|
5.5
|
0.6
|
1.0
|
3.5
|
6.2
|
3.8
|
4.2
|
|
P100
|
17.0
|
20.1
|
4.9
|
5.5
|
0.6
|
1.0
|
3.5
|
6.2
|
3.8
|
4.2
|
|
P120
|
17.0
|
20.1
|
4.9
|
5.5
|
0.6
|
1.0
|
3.5
|
6.2
|
3.8
|
4.2
|
|
P175
|
20.9
|
23.1
|
4.9
|
5.5
|
0.6
|
1.0
|
3.5
|
6.0
|
2.8
|
3.2
|
|
P180
|
20.9
|
23.1
|
4.9
|
5.5
|
0.6
|
1.0
|
3.5
|
6.0
|
2.8
|
3.2
|
|
P190
|
20.9
|
23.1
|
4.9
|
5.5
|
0.6
|
1.0
|
3.5
|
6.0
|
2.8
|
3.2
|
|
P200
|
20.9
|
23.1
|
4.9
|
5.5
|
0.6
|
1.0
|
3.5
|
6.0
|
2.8
|
3.2
|
|
P210
|
20.9
|
23.1
|
4.9
|
5.5
|
0.6
|
1.0
|
3.5
|
6.0
|
2.8
|
3.2
|
|
P260
|
20.9
|
23.1
|
4.9
|
5.5
|
0.6
|
1.0
|
3.5
|
6.0
|
2.8
|
3.2
|
|
P300
|
24.0
|
27.5
|
6.9
|
7.5
|
0.6
|
1.0
|
4.0
|
7.5
|
4.8
|
5.2
|
|
P350
|
24.0
|
27.5
|
6.9
|
7.5
|
0.6
|
1.0
|
4.0
|
7.5
|
4.8
|
5.2
|
|
P380
|
24.0
|
27.5
|
6.9
|
7.5
|
0.6
|
1.0
|
4.0
|
7.5
|
4.8
|
5.2
|
|
P420
|
24.0
|
27.5
|
9.8
|
10.5
|
0.6
|
1.0
|
4.0
|
7.5
|
4.8
|
5.2
|
|
P450
|
24.0
|
27.5
|
9.8
|
10.5
|
0.6
|
1.0
|
4.0
|
7.5
|
4.8
|
5.2
|
|
P550
|
24.0
|
27.5
|
9.8
|
10.5
|
0.6
|
1.0
|
4.0
|
7.5
|
4.8
|
5.2
|
|
P600
|
24.0
|
26.0
|
13.9
|
14.5
|
0.6
|
1.0
|
4.1
|
5.5
|
5.9
|
6.1
|
|
P730
|
27.1
|
29.1
|
13.9
|
14.5
|
0.6
|
1.0
|
4.1
|
5.5
|
5.9
|
6.1
|
|
P900
|
45.0
|
48.0
|
7.9
|
8.5
|
0.6
|
1.0
|
4.0
|
7.0
|
5.9
|
6.1
|
|
P1410
|
58.0
|
60.0
|
13.4
|
14.0
|
0.6
|
1.0
|
5.0
|
7.0
|
5.9
|
6.1
|
|
D170
|
15.4
|
17.5
|
6.9
|
7.4
|
0.6
|
1.0
|
5.0
|
6.2
|
3.8
|
4.2
|
|
D175
|
21.9
|
24.5
|
3.0
|
3.6
|
0.6
|
1.0
|
4.5
|
5.5
|
2.3
|
3.2
|
|
D200
|
21.9
|
24.5
|
3.0
|
3.6
|
0.6
|
1.0
|
4.5
|
5.5
|
2.3
|
3.2
|
|
D210
|
21.9
|
24.5
|
3.0
|
3.6
|
0.6
|
1.0
|
4.5
|
5.5
|
2.3
|
3.2
|
