社保电子插件陶瓷大通流气体放电管
4R30系列
封裝: DIPΦ30×32;
型号:4R600PI-100;4R8kPI-100;4R12kPI-100
产品特性:
1、无辐射
2、符合RoHS标准
3、低插入损耗
4、瞬态反应时间快
5、超低电容
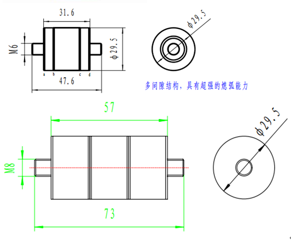
产品尺寸图:www.sbdz.com
产品应用:
1、通讯设备
2、CATV设备
3、测试设备
4、数据线
5、电源
6、电信SLIC的保护
7、宽带设备
8、ADSL设备,包括ADSL2+
9、XDSL设备
10、卫星和CATV设备
11、消费电子
产品技术参数:
