网站首页
公司介绍
新闻资讯
产品中心
防雷产品目录
电源防雷器
信号防雷器
监控防雷器
天馈防雷器
防雷元件目录
陶瓷气体放电管
固体半导体放电管
玻璃防雷管
瞬态电压抑制管TVS
ESD靜電二極管
电源防雷模块
PTC自恢复保险
压敏电阻
终端负载/衰减器
终端负载器
终端负载片
衰减器
衰减片
韩国PRIME防雷系列
单相电源surge-box
三相电源surge-box
数据线路surge-box
同轴线路surge-box
高压脉冲ESE避雷针
接地系统
噪声消除变压器
临时目录
防雷方案
防雷知识
联系我们
产品分类
防雷产品目录
电源防雷器
防雷箱
交流电源防雷器
直流电源防雷器
电源防雷插座
充电桩防雷器
光伏电源防雷器
LED路灯浪涌保护器
信号防雷器
音频信号防雷器
网络信号防雷器
视频信号防雷器
控制信号防雷器
监控防雷器
三合一视频防雷器
三合一网络防雷器
二合一视频防雷器
二合一网络防雷器
天馈防雷器
SA系列天馈防雷器
SB系列天馈防雷器
SF系列天馈防雷器
SM系列天馈防雷器
SN系列天馈防雷器
SP系列天馈防雷器
ST系列天馈防雷器
防雷元件目录
陶瓷气体放电管
陶瓷放电二极管
陶瓷放电三极管
陶瓷放电开关管
贴片陶瓷放电二级管
贴片陶瓷放电三级管
陶瓷大通流气体放电管
固体半导体放电管
SMT 贴片
DIP 插件
玻璃防雷管
TED485系列
GS系列
瞬态电压抑制管TVS
贴片ESD防护器(TVS组合管)
同轴引线TVS管
ESD靜電二極管
SO-08封装
SOT-23封装
SOT-26/143/353/363/553
SOD-323/523/882/923
DFN-1006/1006BP/1006DN
DSON-10封裝
DFN2510P10封裝
电源防雷模块
陶瓷电源防雷模块
PTC自恢复保险
DIP 插件
SMD 贴片
H系列PTC
压敏电阻
DIP 插件
SMD 贴片
终端负载/衰减器
终端负载器
终端负载片
衰减器
衰减片
韩国PRIME防雷系列
单相电源surge-box
三相电源surge-box
数据线路surge-box
同轴线路surge-box
高压脉冲ESE避雷针
接地系统
噪声消除变压器
临时目录
产品中心
首页
>
产品中心
>
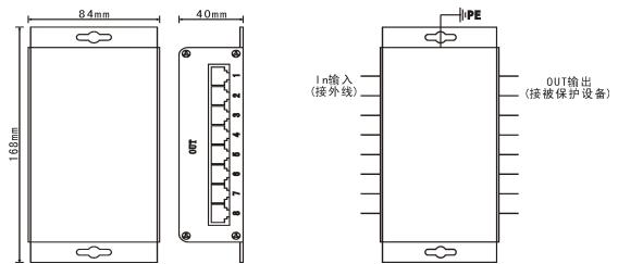
8路网络百兆信号防雷器
详细介绍
8路网络百兆信号防雷器
型号:
SBS05RJ45M
4-
8
SBS05RJ45M4-8可保护一条10/100M以太网标准双绞线电缆,适用于保护单台计算机或服务器/交换机,SBS05RJ45M4/8/16/24可分别保护8路、16路和24路10/100M以太网标准双绞线,适用于布线标准为CAT3、CAT5系统的SWITCH、HUB、ROUTER和计算机等网络设备的雷击或其他电涌保护。
适用范围
:
◆ 用于10/100Mbps SWITCH、 HUB、ROUTER等网络设备的雷击和雷电电磁脉冲造成的感应过电压保护。
◆ 网络机房网络交换机防护。
◆ 网络机房服务器防护。
◆ 网络机房其它带网络接口设备防护。
◆ 其他网络通信设备。
社保电子产品特点
:
● 网络线路浪涌过电压保护。
● 放电电流5kA。
● 高速反应。
● 限制电压低。
● RJ45 两端水晶插座。
● 10/100M自适应。
● 两级对地雷电泄放电路。
技术参数
:
名 称
8路百兆网络信号防雷器
型号
SBS05RJ45M4-8
保护线路口数
8路
标称电压
5V
最大持续操作电压uc
8V
传输速率VS
100Mbps
保护水平8/20μs
15V
标称通流容量(8/20μs)
5KA
最大通流容量8/20μs)
10KA
响应时间TA
≤10ns
安装模式
串联安装
插入损耗AE
≤0.5db
保护芯线
pinl8芯
结构设计
整体式
接口形式
RJ45
外壳材料
铝合金
工作温区
-25℃…+85℃
产品安装:
集成多级电涌保护,可用于雷击区域LPZ1- LPZ2分区界面,带有安装附件电缆,可方便地串联接入线路当中,安装时注意线缆进出方向,有“IN”和“OUT”标志。“IN”始终为非保护侧,并指示过电压可能产生的方向、保护侧“OUT”指向被保护区域或设备,通过接地导线进行等电位连接,安装时应尽量靠近被保护设备,并用最短接地路径。接地路径应尽可能短,长度不要超过1.5米。SBSRJ45M4 /8/16/24可方便安装于19英寸标准机柜,只占用1U空间。安装时注意进出电涌保护器的线缆应分开走线,以免出现电涌的二次耦合。在安装时还需要确认通信设备使用的通信引脚与电涌保护器的保护脚是否匹配,否则要在接口处更改接线即跳线。
社保电子产品维护:
应定期检查电涌保护器的工作情况,如果发现因为电涌保护器的原因引起系统传输性能的降低或信号中断,提示用户保护电路已失效,保护器对安装在它下游的电子设备失去保护作用,用户须立即更换保护器。
联系我们
全国统一服务电话:
0755-22310076
24小时热线: 0755-22310076 22310075 22310079
邮箱:shenzhen@sbdz.com
网址:www.sbdz.com
公司总部:深圳市福田区上步北路(体育馆东)城市主场B座1601
关于我们
公司简介
企业文化
荣誉资质
员工风采
产品中心
防雷产品目录
防雷元件目录
终端负载/衰减器
韩国PRIME防雷系列
临时目录
防雷方案
通讯类产品
消费电子产品
汽车电子产品
安防类产品
智能家居家电
工业类品
友情链接:
防雷器
社保电子原网站
高效过滤器
EBM电机
三边封制袋机
版权所有©1995-20020深圳市社保电子技术有限公司。保留所有权利 |
Power by DedeCms
粤ICP备05003742号
QQ在线咨询
售前咨询热线
0755-22310076
售后咨询热线
0755-22310076